Sequential Circuit

実験課題:記憶順序回路(全2回)


実験課題「記憶順序回路」の実験手順について書かれています。

以下の課題を行い、実験方法、真理値表、回路図、実験結果を報告せよ。

注意

回路の動作はLEDの点灯/消灯として記録し、真理値表または動作表と比較す ること。

有接点スイッチをオンからオフへ切り替えると、スイッチレバーのわずかな振 動などのため、図1に示したようなチャタリングと呼ばれる現象(接続状態 が高速に何度も切り替わる現象)がおこる。このため、スイッチのオンオフに よって1個のパルスをデジタル回路に入力したつもりでも、実際には不確定多 数のパルスが入力されることになり、誤動作の原因となる。同図にこのチャタ リングを防止して1回スイッチをオン、オフすると確実に1個だけパルスを発 生する回路の例を示す。


図1:チャタリング防止回路例とチャタリング現象

実験1

トグルスイッチと74LS112(ネガティブエッジトリガJKフリップフロッ プ 、ピン配置図は教科書p.172の図14)のFF1によって、チャタリング防 止回路を作製し、その動作をLEDの点灯、消灯によって確認せよ。スイッチを どちらに倒したら出力がH、またはLで、LEDが点灯、または消灯したかを明確 に記録すること。

実験2

74LS273(8回路ポジティブエッジトリガDタイプFF)の8個のD− FFを、2進数(20〜27)における各桁の記憶素子と考えて、各自の学籍 番号の下3桁に128を加えた数を2進化して74LS273に記憶させよ。 各D−FFのD入力信号はDIPスイッチによるプルアップ回路で制御し、ク ロック入力信号としてチャタリング防止回路の出力パルス信号を使用し、記憶 状態はLEDの点灯、消灯によって確認する。なおPIN1(CLEAR)は今回未使用の為、 Hレベルに固定すること。

注意:学籍番号下3桁が128以上の場合は、100引いた値を学籍番号下3桁とすること。 例えば、138番の場合は038を2進化して記憶させよ。


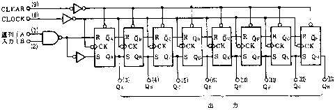
図2:74LS273

実験3

図3は74LS164(8 Bit Shift Register)の内部構 成図(a)と、ピン配置図(b)である。


図3(a):シフトレジスタ74LS164の内部構成


図3(b) シフトレジスタ74LS164のピン配置

  1. 3番ピンのQAから13番ピンのQHまでの出力に、LED1〜8がこの順 に一直線に並ぶように配置、接続する。
  2. ピン1、ピン2およびピン9はH、Lの固定入力ができるようDIPスイッチ によるプルアップ回路を接続し、ピン8のクロックにはチャタリング防止回路 の出力を接続する(以上で配線終了)。
  3. ピン1およびピン2をH、クリア端子(ピン9)をLにし、出力をすべてL にする。
  4. クリア端子(ピン9)をHにしてクリアを解除し(ピン1、ピン2はHの まま)、チャタリング防止回路からパルスを順次入力せよ。パルスごとにLED の状態を記録し報告せよ。またピン1(またはピン2)を途中でLにした時の 動作を確認せよ。
  5. 最後に、チャタリング防止回路を外し、ファンクションジェレネータから 0.1 Hz程度のTTLレベルパルスを入力できる状態にした後、クリアをかけ、 解除し、LED1が点灯したら、ただちにピン2とピン13を接続して(最上位 の出力を最下位の入力に接続)LEDの点灯状態をパルス毎に記録し報告せよ。

注意

実験終了確認時に実験3の動作確認をするので、回路を持参すること。 接続を容易にするため、電源(+、−)、クロック入力端子はブレッドボー ドのバナナ端子を使用すること。

検討課題

  1. チャタリング防止回路の動作を説明せよ。
  2. 一般に、デジタルICの使用しない入力端子は必ずHまたはLに固定する。開 放状態(無接続状態)で放置すると、動作は保証されない場合がある。この理 由について述べよ。
  3. 実験3の3.および4.の結果を説明せよ。

2000.04.01.
fmiso@sccs.chukyo-u.ac.jp